English
Español
Português
русский
Français
日本語
Deutsch
tiếng Việt
Italiano
Nederlands
ภาษาไทย
Polski
한국어
Svenska
magyar
Malay
বাংলা ভাষার
Dansk
Suomi
हिन्दी
Pilipino
Türkçe
Gaeilge
العربية
Indonesia
Norsk
تمل
český
ελληνικά
український
Javanese
فارسی
தமிழ்
తెలుగు
नेपाली
Burmese
български
ລາວ
Latine
Қазақша
Euskal
Azərbaycan
Slovenský jazyk
Македонски
Lietuvos
Eesti Keel
Română
Slovenski
मराठी
Srpski језик
Mga Tampok ng Produkto
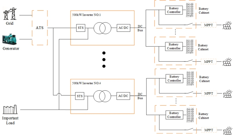
1. Mag-load ng higit sa 500 kW, inirerekumenda na gumamit ng isang malaking kapasidad na 500 kW single-unit energy storage inverter, na may kakayahang suportahan ang hanggang sa apat na hanay ng mga magkakatulad na koneksyon, pagkamit ng atotal power output ng 2 MW ;
2. Kapag nagpapatakbo ng maramihang 500 kW system na kahanay at pamamahagi ng stsacross iba't ibang 500 kW inverters, mahalaga upang matiyak na ang cablelength mula sa grid tie-point sa load tie-point ay pare-pareho ;
3. Ang hybrid ESS ay gumagamit ng pagsasama ng DC-kaisa na photovoltaic, pagkamit ng kahusayan ng conversion ng mataas na enerhiya at na-optimize para sa mga senaryo ng off-grid na may kapasidad ng henerasyon ng PV na lumampas sa demand ng pag-load; Panlabas na-rate na MPPT
Ang mga Controller ay nagsasama ng mga function ng combiner at MPPT sa isang solong matigas na enclosure. Ang kumpletong sistema ay may kasamang pagpipilian sa Diesel Generator ATS, isang 300kW hybrid inverter, PV MPPT controller, at isang baterya
Sistema ng Pag -iimbak ng Enerhiya.


Pagtukoy
| Mga modelo | P500TS-400-A | |
|
Mga parameter ng DC-side |
Saklaw ng boltahe | 500-950V |
| Pinakamataas na kasalukuyang | 1128a | |
| Na -rate na kapangyarihan ng output | 500kw | |
|
Mga parameter ng AC-Side (Nakakonekta ang grid) |
Maximum na lakas ng output | 550kw |
| Na -rate na output kasalukuyang | 722a | |
| Thdi | <3% | |
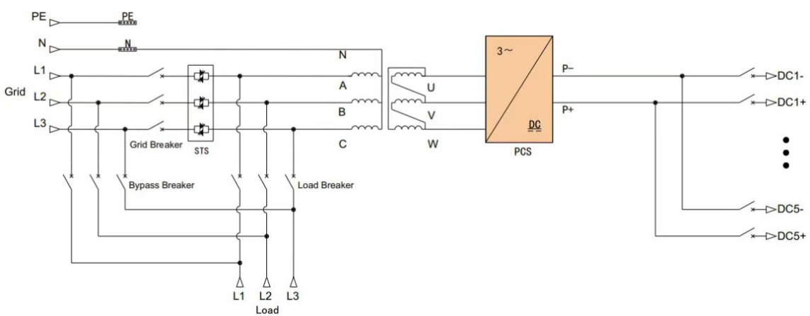
| Uri ng grid | 3w+n+pe | |
| Saklaw ng boltahe | 360VAC ~ 440VAC | |
| Frequency Range | 45 ~ 55Hz/55 ~ 65Hz | |
| Power Factor | -1 ~ 1 | |
| Na -rate na kapangyarihan ng output | 500kw | |
|
AC Side Parameter (Off-grid) |
Na -rate na boltahe ng output | 400v |
| Na -rate na dalas ng output | 50/60Hz | |
| Thdu | <1%linear load, <5%non-linear load | |
| Labis na kapasidad | 110%10 minuto | |
| Maintenance bypass switch | 1250a | |
|
Off-grid switch at Lumipat ng pagsasaayos |
DC switch | 1250a |
| Load switch | 1250a | |
| Grid switch | 1250a | |
| Unit ng STS | 1155a/800kw | |
| Oras ng paglipat | <20ms | |
|
Mga parameter ng system |
Peakefficiency | 97.5% |
| Temperatura ng pagpapatakbo | -30 ~ 55 ℃ (derating sa itaas 40 ℃) | |
| Kamag -anak na kahalumigmigan | 0 hanggang 95%RH, hindi condensing | |
| Mga Dimensyon (l*d*h) | 1600 × 1050 × 2050mm | |
| Timbang | 2700kg | |
| Ipgrade | IP21 IP21 (Kumpletong Machine) | |
| Ingay | <70db | |
| Ipakita ang screen | Lcd | |
| Komunikasyon ng BMS | Maaari | |
| Komunikasyon ng EMS | TCP/IP | |