Medium hybrid system

Medium hybrid system

Ang isang on-grid at off-grid na sistema ng imbakan ng enerhiya ay nagsasama ng photovoltaic (PV) na henerasyon ng kapangyarihan, pag-iimbak ng enerhiya, at kontrol ng intelihente. Maaari itong gumana sa parehong mga mode na konektado at stand-alone, na tinitiyak ang tuluy-tuloy at matatag na supply ng kuryente.

Magpadala ng Inquiry

Paglalarawan ng Produkto


Tampok

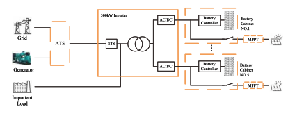
Gumagamit ang system ng mga modular na yunit ng inverter sa kahanay na pagsasaayos, kung saan

Ang bawat input ng DC ng Inverter ay tumutugma sa isang nakalaang gabinete ng baterya,

pagpapagana ng pamamahala ng per-kumpol upang maalis ang nagpapalipat-lipat na mga alon sa pagitan

Mga string ng baterya.

Ang mga module ng kapangyarihan ng AC/DC ay sumusuporta sa kakayahang umangkop na paglawak sa parehong dami at

rating ng kuryente, na may isang maximum na kapasidad ng 60kW module sa isang 5-unit na kahanay

Pag -configure.

Ang output ng AC mula sa mga module ng kuryente ay naihatid sa pamamagitan ng isang transpormer

nakahiwalay na yugto ng output, na nagbibigay ng kapangyarihan sa pag -load na may malakas na pagtutol sa

Kasalukuyang pagkabigla.

Ang hybrid ESS ay gumagamit ng DC-kaisa na pagsasama ng photovoltaic, na nakamit ang mataas

Ang kahusayan ng conversion ng enerhiya at na-optimize para sa mga senaryo ng off-grid na may PV

Ang kapasidad ng henerasyon na lumampas sa demand ng pag -load; Mga panlabas na rate ng MPPT

Isama ang mga function ng combiner at MPPT sa isang solong matigas na enclosure.

Ang kumpletong sistema ay may kasamang pagpipilian ng diesel generator ATS, isang 300kW hybrid

Inverter, PV MPPT controller, at isang sistema ng imbakan ng enerhiya ng baterya.



Tampok

Gumagamit ang system ng mga modular na yunit ng inverter sa kahanay na pagsasaayos, kung saan

Ang bawat input ng DC ng Inverter ay tumutugma sa isang nakalaang gabinete ng baterya,

pagpapagana ng pamamahala ng per-kumpol upang maalis ang nagpapalipat-lipat na mga alon sa pagitan

Mga string ng baterya.

Ang mga module ng kapangyarihan ng AC/DC ay sumusuporta sa kakayahang umangkop na paglawak sa parehong dami at

rating ng kuryente, na may isang maximum na kapasidad ng 60kW module sa isang 5-unit na kahanay

Pag -configure.

Ang output ng AC mula sa mga module ng kuryente ay naihatid sa pamamagitan ng isang transpormer

nakahiwalay na yugto ng output, na nagbibigay ng kapangyarihan sa pag -load na may malakas na pagtutol sa

Kasalukuyang pagkabigla.

Ang hybrid ESS ay gumagamit ng DC-kaisa na pagsasama ng photovoltaic, na nakamit ang mataas

Ang kahusayan ng conversion ng enerhiya at na-optimize para sa mga senaryo ng off-grid na may PV

Ang kapasidad ng henerasyon na lumampas sa demand ng pag -load; Mga panlabas na rate ng MPPT

Isama ang mga function ng combiner at MPPT sa isang solong matigas na enclosure.

Ang kumpletong sistema ay may kasamang pagpipilian ng diesel generator ATS, isang 300kW hybrid

Inverter, PV MPPT controller, at isang sistema ng imbakan ng enerhiya ng baterya.









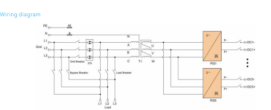
Mga pagtutukoy

Mga modelo P200TS-400-A P250TS-400-A P300TS-400-A

Mga parameter ng DC-side
Saklaw ng boltahe 650-950vdc
Per-module switch switch 250a
Bilang ng mga channel ng DC 3 paraan 4 na paraan 5 paraan

Mga parameter ng AC-Side
(Nakakonekta ang grid)
Na -rate na kapangyarihan ng output 200kw 250kw 300kw
Maximum na lakas ng output 220kw 275kw 330kw
Na -rate na output kasalukuyang 289a 361a 433a
Thdi <3%
Uri ng grid 3w+n+pe
Saklaw ng boltahe 360VAC ~ 440VAC
Frequency Range 45 ~ 55Hz/55 ~ 65Hz
Power Factor -1 ~ 1

Isla
Mga parameter ng AC-Side
Na -rate na kapangyarihan ng output 200kw 250kw 300kw
Na -rate na boltahe ng output 400vac
Na -rate na dalas ng output 50/60Hz
Thdu <1% linear, <5% nonlinear <1% linear, <5% nonlinear
Labis na kapasidad 110% labis na karga para sa 10 minuto110% para sa 10mins

Grid-isla
Ilipat at lumipat
Maintenance bypass switch 400a 630a
Mga switch ng grid 630a 800a
Mga switch ng pag -load 400a 630a
Unit ng STS 577a/400kw 722a/500kw
Oras ng paglipat <20ms

Mga parameter ng system
Kahusayan ng rurok 97.5%
Temperatura ng pagpapatakbo -30 ~ 55 ℃ -30 ~ 55 ℃ (derating sa itaas 40 ℃)
Kamag -anak na kahalumigmigan 0 ~ 95%RH, 0 ~ 95%RH, hindi nakakagulat
Mga Dimensyon (l*d*h) 1300 × 1050 × 2050mm
Timbang 1400kg 1700kg 1800kg
Ipgrade IP21 IP21 (buong hanay)
Ingay <70db
Ipakita ang screen LCD touch-screen
Komunikasyon ng BMS Maaari
Komunikasyon ng EMS TCP/IP


Mga Hot Tags: Medium hybrid system
Magpadala ng Inquiry
Mangyaring huwag mag-atubiling ibigay ang iyong pagtatanong sa form sa ibaba. Sasagot kami sa iyo sa loob ng 24 na oras.
X
Gumagamit kami ng cookies para mag-alok sa iyo ng mas magandang karanasan sa pagba-browse, pag-aralan ang trapiko sa site at i-personalize ang content. Sa paggamit ng site na ito, sumasang-ayon ka sa aming paggamit ng cookies. Patakaran sa Privacy